The Dispatch | Expert | Scudo Hub

Get help & share your Citroen Dispatch (Jumpy) | Peugeot Expert | Fiat Scudo tips

You are not logged in.

#1 2024-03-13 10:26:26

woodbine
Member
From: Bristol, UK
Registered: 2018-11-01
Posts: 267

Speedo, Odometer & trip Meter Stopped Working.

I was driving down the M4 on Monday on way to Portsmouth to get the ferry to France. Having a little trip for 2 or 3 weeks, just me and the Scudo. Anyway, I was only 28.7 miles from home (I zeroed the trip meter when I left, that's how I know the exact mileage it all went wrong  smile ) when the speedo, odo and trip meter suddenly stopped working.

The speedo needle does nothing, just sits at zero MPH. The odo still displays mileage, but is frozen at the mileage at time of malfunction and doesn't register any more miles. Same with trip meter, stuck at the mileage when it all went wrong.

I'm no expert, so would appreciate any pointers as to what may be wrong. Is it the speedo that's at fault, or whatever sends the info from engine/gearbox to register speed and mileage? How do I tell which is at fault? Thanks for any help.


(Luckily my sat nav has a speed readout, so I know what speed I'm doing while in France as I got a ticket on my December visit. Suppose for the purposes of my trip the sat nav's speed is better as it's in KMH, whereas you can only really see MPH on the van's speedo. So no big problem, but will need fixing when I'm back.)

Last edited by woodbine (2024-03-13 10:28:04)


Fiat Scudo 2004 (54) 2.0 Jtd SX Dynamic Van

Offline

#2 2024-03-13 13:48:13

roopid
Member
From: Kendal
Registered: 2024-02-25
Posts: 38

Re: Speedo, Odometer & trip Meter Stopped Working.

My first thought is that the sensor (wherever it is--I haven't found mine yet) is going to be more vulnerable to weather and physical damage. So I'd check for corroded or broken wiring near the sensor, then if that doesn't show anything I'd try another sensor.

The good news is that, when everything fails at once, that's usually a sign of a simple fault :-)

Roops

Offline

#3 2024-03-13 19:38:06

tee_cee
Member
Registered: 2016-03-18
Posts: 627

Re: Speedo, Odometer & trip Meter Stopped Working.

Just curiious about your speeding ticket. Was it a mobile patrol that stopped you?

Offline

#4 2024-03-13 20:59:14

kenbw2
Administrator
From: Preston
Registered: 2017-11-26
Posts: 1,585

Re: Speedo, Odometer & trip Meter Stopped Working.

My speedo did this, but the odometer and trip meter continued incrementing. Obviously a fault with the dashboard itself.

That said, mine's an old school one with no ECU, so I can't rule out a computer problem.

I'm with roopid


2000 Citroen Dispatch 1.9TD XUD9 Camper Conversion
1999 Citroen Dispatch 1.9D DW8 Disassembled Camper Conversion
1996 Peugeot 806 1.9TD XUD9 Spare vehicle
1998 Citroen Synergie 1.9TD XUD9 Snapped timing belt

Offline

#5 2024-03-13 22:43:22

woodbine
Member
From: Bristol, UK
Registered: 2018-11-01
Posts: 267

Re: Speedo, Odometer & trip Meter Stopped Working.

roopid wrote:

My first thought is that the sensor (wherever it is--I haven't found mine yet) is going to be more vulnerable to weather and physical damage. So I'd check for corroded or broken wiring near the sensor, then if that doesn't show anything I'd try another sensor.

The good news is that, when everything fails at once, that's usually a sign of a simple fault :-)

Roops

Thanks for your reply, Roopid. Good that you think it is a simple fault. Does sound like the sensor as all info for speed and mileage must come from it. Will check wiring to sensor and also get some contact cleaner on the plug and socket. Bit of Googling and couple of people reckon it's a mare to get to on top of diff housing, needing a ramp. Don't know if true.

One other thing I noticed is a bit of very subtle hesitancy and jerking in low gears/speeds - bit like fuel starvation. This started same time as speedo quit. Poss the sensor also sends info to ECU to help with fueling, etc to engine. Would make sense as the ECU is poss not getting this info any more.


Fiat Scudo 2004 (54) 2.0 Jtd SX Dynamic Van

Offline

#6 2024-03-13 22:47:57

woodbine
Member
From: Bristol, UK
Registered: 2018-11-01
Posts: 267

Re: Speedo, Odometer & trip Meter Stopped Working.

tee_cee wrote:

Just curiious about your speeding ticket. Was it a mobile patrol that stopped you?

No, never seen police doing speed checks. Was a sneaky fixed Gatso type somewhere near Dordogne/Limousin border. Sat nav poss warned me, but was rushing to get north so blundered on without noticing anything. First thing I knew was a 45 Euro fine through post as I was only just over.


Fiat Scudo 2004 (54) 2.0 Jtd SX Dynamic Van

Offline

#7 2024-03-13 22:52:25

woodbine
Member
From: Bristol, UK
Registered: 2018-11-01
Posts: 267

Re: Speedo, Odometer & trip Meter Stopped Working.

kenbw2 wrote:

My speedo did this, but the odometer and trip meter continued incrementing. Obviously a fault with the dashboard itself.

That said, mine's an old school one with no ECU, so I can't rule out a computer problem.

I'm with roopid

Yes, if just the speedo I would be thinking it's at fault. But as three different things went at once plus a bit of engine hesitancy that started same time - duff sensor or wiring fault seems most likely.

How did you remedy yours, Ken?


Fiat Scudo 2004 (54) 2.0 Jtd SX Dynamic Van

Offline

#8 2024-03-14 11:38:46

tee_cee
Member
Registered: 2016-03-18
Posts: 627

Re: Speedo, Odometer & trip Meter Stopped Working.

woodbine wrote:
tee_cee wrote:

Just curiious about your speeding ticket. Was it a mobile patrol that stopped you?

No, never seen police doing speed checks. Was a sneaky fixed Gatso type somewhere near Dordogne/Limousin border. Sat nav poss warned me, but was rushing to get north so blundered on without noticing anything. First thing I knew was a 45 Euro fine through post as I was only just over.

A bit worrying. I thought that post brexit there was no eu access to UK vehicle reg details.

Offline

#9 2024-03-14 20:05:34

kenbw2
Administrator
From: Preston
Registered: 2017-11-26
Posts: 1,585

Re: Speedo, Odometer & trip Meter Stopped Working.

tee_cee wrote:

A bit worrying. I thought that post brexit there was no eu access to UK vehicle reg details.

I've definitely not not got flashed by cameras in Germany and heard nothing back (both Pre and Post-Brexit)   angel


2000 Citroen Dispatch 1.9TD XUD9 Camper Conversion
1999 Citroen Dispatch 1.9D DW8 Disassembled Camper Conversion
1996 Peugeot 806 1.9TD XUD9 Spare vehicle
1998 Citroen Synergie 1.9TD XUD9 Snapped timing belt

Offline

#10 2024-03-14 20:06:25

kenbw2
Administrator
From: Preston
Registered: 2017-11-26
Posts: 1,585

Re: Speedo, Odometer & trip Meter Stopped Working.

woodbine wrote:

How did you remedy yours, Ken?

You assume I did  roll I have a separate external one now


2000 Citroen Dispatch 1.9TD XUD9 Camper Conversion
1999 Citroen Dispatch 1.9D DW8 Disassembled Camper Conversion
1996 Peugeot 806 1.9TD XUD9 Spare vehicle
1998 Citroen Synergie 1.9TD XUD9 Snapped timing belt

Offline

#11 2024-03-14 22:41:39

woodbine
Member
From: Bristol, UK
Registered: 2018-11-01
Posts: 267

Re: Speedo, Odometer & trip Meter Stopped Working.

tee_cee wrote:
woodbine wrote:
tee_cee wrote:

Just curiious about your speeding ticket. Was it a mobile patrol that stopped you?

No, never seen police doing speed checks. Was a sneaky fixed Gatso type somewhere near Dordogne/Limousin border. Sat nav poss warned me, but was rushing to get north so blundered on without noticing anything. First thing I knew was a 45 Euro fine through post as I was only just over.

A bit worrying. I thought that post brexit there was no eu access to UK vehicle reg details.

Last trip when I got speeding fine I had a hire car from Bergerac. So French authorities got my info from hire company in France.

This trip I've taken the Scudo as the hire car cost really adds up, especially as I extended trip several times. Much nicer having my own vehicle on this trip. Plus if I pick up a ticket, maybe I'll get off Scot free.


Fiat Scudo 2004 (54) 2.0 Jtd SX Dynamic Van

Offline

#12 2024-03-14 22:43:23

woodbine
Member
From: Bristol, UK
Registered: 2018-11-01
Posts: 267

Re: Speedo, Odometer & trip Meter Stopped Working.

kenbw2 wrote:
tee_cee wrote:

A bit worrying. I thought that post brexit there was no eu access to UK vehicle reg details.

I've definitely not not got flashed by cameras in Germany and heard nothing back (both Pre and Post-Brexit)   angel

Same here, in Dortmund in Nov 2021. Never heard a thing from Gerrys.


Fiat Scudo 2004 (54) 2.0 Jtd SX Dynamic Van

Offline

#13 2024-03-14 22:44:28

woodbine
Member
From: Bristol, UK
Registered: 2018-11-01
Posts: 267

Re: Speedo, Odometer & trip Meter Stopped Working.

kenbw2 wrote:
woodbine wrote:

How did you remedy yours, Ken?

You assume I did  roll I have a separate external one now

wink


Fiat Scudo 2004 (54) 2.0 Jtd SX Dynamic Van

Offline

#14 2024-03-15 14:54:06

tee_cee
Member
Registered: 2016-03-18
Posts: 627

Re: Speedo, Odometer & trip Meter Stopped Working.

woodbine wrote:
tee_cee wrote:
woodbine wrote:

No, never seen police doing speed checks. Was a sneaky fixed Gatso type somewhere near Dordogne/Limousin border. Sat nav poss warned me, but was rushing to get north so blundered on without noticing anything. First thing I knew was a 45 Euro fine through post as I was only just over.

A bit worrying. I thought that post brexit there was no eu access to UK vehicle reg details.

Last trip when I got speeding fine I had a hire car from Bergerac. So French authorities got my info from hire company in France.

This trip I've taken the Scudo as the hire car cost really adds up, especially as I extended trip several times. Much nicer having my own vehicle on this trip. Plus if I pick up a ticket, maybe I'll get off Scot free.

Thanks, that makes sense.

Offline

#15 2024-06-22 01:14:23

woodbine
Member
From: Bristol, UK
Registered: 2018-11-01
Posts: 267

Re: Speedo, Odometer & trip Meter Stopped Working.

Today I went to a rent a ramp place because the speed sensor/sender is in such an awkward place. Pulled the sensor out of the diff, losing a lot of gearbox oil in the process, only to find it's different to the new Febi one I bought.

The new Febi one has a square drive up inside the hole where the shaft with gear on goes - mine has no square drive inside. The part number of the Febi part corresponds with the Fiat part no, so I don't understand. Anyway, a massive waste of time and money as I still have the old one fitted as I had to put it back in.

Gearbox-sensor.jpg

This is the one I bought -

https://www.ebay.co.uk/itm/335240801837

You can just see the square drive inside on here. Mine doesn't have this.

Scudo-Speed-Sensor.jpg

Last edited by woodbine (2024-06-22 01:22:59)


Fiat Scudo 2004 (54) 2.0 Jtd SX Dynamic Van

Offline

#16 2024-06-22 01:48:02

RegW
Member
From: Bristol
Registered: 2024-04-21
Posts: 334

Re: Speedo, Odometer & trip Meter Stopped Working.

If your current sender doesn't have a square drive how does the gearbox drive the
pulser at the top of the sender?

Is it possible yours has broken off?
perhaps it broke off and dropped down into shaft (no1) in the drawing
and you didn't notice this due to age, oil, muck etc


When all else fails, RTFM  - 2006 Expert 2.0 HDI/110

Offline

#17 2024-06-22 02:01:16

woodbine
Member
From: Bristol, UK
Registered: 2018-11-01
Posts: 267

Re: Speedo, Odometer & trip Meter Stopped Working.

RegW wrote:

If your current sender doesn't have a square drive how does the gearbox drive the
pulser at the top of the sender?

Is it possible yours has broken off?
perhaps it broke off and dropped down into shaft (no1) in the drawing
and you didn't notice this due to age, oil, muck etc

Thanks Reg. Didn't know there were any other Bristolians on here.

The shaft/gear - part number 1 in diagram - doesn't have a square hole in the end of it. The end of the shaft that goes into sensor is solid, nothing to fit over a square drive. Don't know how it drives the pulser, maybe it's magentic or hall sensor that detects the spinning shaft.

Wish I had my camera with me when I pulled it out.

Maybe this one - no square drive inside -

https://www.onbuy.com/gb/p/new-engine-r … p61884823/

Last edited by woodbine (2024-06-22 02:09:54)


Fiat Scudo 2004 (54) 2.0 Jtd SX Dynamic Van

Offline

#18 2024-06-22 11:52:14

RegW
Member
From: Bristol
Registered: 2024-04-21
Posts: 334

Re: Speedo, Odometer & trip Meter Stopped Working.

Hmm ok,
I see 3 wires to the pulser so assuming pos, neg and signal
it probably is something like a hall effect or reluctor type affair

This still brings up the question how the pulser sitting  on top of the device is driven
the one you have pictured has keyways so this suggests its designed to mate to a keyed shaft ( No1)

I understand it's sod to get to and with it probably being grubby and oily too
it would be easy to overlook the inner profile the new pulser has to mate to.
Relying on friction to drive it would be a very poor form.

new-engine-rpm-speed-sensor-for-peugeot-expert-partner-206-307-406-607-replacement-151285215.jpg

Edit:

Maybe its my monitor but just looked to your first image more closely and
details looked washed out to me so darkened it in photoshop
I now see it does have keyways too, so maybe the square drive is not how it's driven
and were a distracting feature

Scudo-Speed-Sensor.jpg

Last edited by RegW (2024-06-22 12:29:18)


When all else fails, RTFM  - 2006 Expert 2.0 HDI/110

Offline

#19 2024-06-22 13:16:19

woodbine
Member
From: Bristol, UK
Registered: 2018-11-01
Posts: 267

Re: Speedo, Odometer & trip Meter Stopped Working.

Thanks Reg for your help and info. The keyways you refer to don't have any purpose. The part where the keyways are to sides of hole doesn't move. The shaft is just a plain rod without any keyways/ridges on it. The vital bit is up inside the hole. In your lower pic, that's what it looks like inside my new Febi/wrong sensor - ie. the square drive up inside that mine doesn't have - just an empty hole. The square shaft stops the shaft going far enough up into the hole(original shaft being used, new Febi sensor isn't supplied with one).

Anyway, I'm going back to rent a ramp place on Monday. Going to pull out the old sensor and shaft, and temporarily fit the new wrong sensor without the gear shaft. Then I will have my old sensor and shaft to hand to properly inspect and match up with a new replacement.

Phoned Fiat dealer and they can supply one in 10 days for £130 plus VAT (Febi one was only £32 delivered). But who's to say the Fiat part is the same one as my original? The part number is the same part number that the wrong Febi sensor is supposed to be compatible with.

Last edited by woodbine (2024-06-22 15:49:47)


Fiat Scudo 2004 (54) 2.0 Jtd SX Dynamic Van

Offline

#20 2024-06-22 14:02:08

RegW
Member
From: Bristol
Registered: 2024-04-21
Posts: 334

Re: Speedo, Odometer & trip Meter Stopped Working.

The part number of 9600936680 gives the pic below and the green plastic bit at the tip suggests a square drive
socket perhaps?
a bit like motorcycle speedo drive
(this makes my keyway theory pretty much bollox lol)
but there must be some mechanical means to drive a rotor past a sensor to create pulses

Going back in sounds frustrating but what else can you do?
take lotsa pics
£156 for new one? sod that, I'd test the sender on the bench and have it apart and I bet
there's a 3 pin 50p hall effect IC in there with maybe a couple of resistors

?u=http%3A%2F%2Fiveco-ducato.com%2Ffoto%2F64811960.jpg&f=1&nofb=1&ipt=5b73a22649f631d5ae1a540f5b84c2e9ca68580c686b5008c59cf6c32fa6372f&ipo=images

Last edited by RegW (2024-06-22 14:03:53)


When all else fails, RTFM  - 2006 Expert 2.0 HDI/110

Offline

#21 2024-06-22 15:57:59

woodbine
Member
From: Bristol, UK
Registered: 2018-11-01
Posts: 267

Re: Speedo, Odometer & trip Meter Stopped Working.

Thanks again Reg, useful info. Not sure if you could actually dismantle the part, it's moulded plastic and bonded together.

I just hope I wasn't rushing yesterday at the garage, and there isn't actually a square drive which may have snapped off inside the sensor and poss be stuck in the end of the metal shaft. Now wish I'd just bunged the new sensor in without shaft and had the old sensor and shaft in front of me to thoroughly inspect in the cold light of day. Problem is I can't easily access it on home ramps and I lose a lot of gearbox oil each time the sensor is pulled out.

So up to Cheltenham on Monday to put it on ramps and fish out the old sensor and shaft and temporarily fit the new sensor. Then bring it all home to inspect and see what's going on. Crazy waste of time!

Last edited by woodbine (2024-06-22 15:59:16)


Fiat Scudo 2004 (54) 2.0 Jtd SX Dynamic Van

Offline

#22 2024-06-23 14:53:37

RegW
Member
From: Bristol
Registered: 2024-04-21
Posts: 334

Re: Speedo, Odometer & trip Meter Stopped Working.

It's worth checking you are getting power to the sender just in case
The 3 pin plug should have 12v at pin 1 and ground at pin 2
with signal out at pin 3
It will hard to check for signal out with out actually driving but ignition on
should show power at the plug.

My Peugeot wiring diagram shows it gets power from Fuse 4 in the passenger fuse box
I know they're all essentially the same but there are variations
I used the DW10 diagram

Last edited by RegW (2024-06-23 15:14:25)


When all else fails, RTFM  - 2006 Expert 2.0 HDI/110

Offline

#23 2024-06-23 14:58:48

kenbw2
Administrator
From: Preston
Registered: 2017-11-26
Posts: 1,585

Re: Speedo, Odometer & trip Meter Stopped Working.

RegW wrote:

It's worth checking you are getting power to the sender just in case
The 3 pin plug should have 12v at pin 1 and ground at pin 3
with signal out at pin 2
It will hard to check for signal out with out actually driving but ignition on
should show power at the plug.

Ah interesting, I'll give that a go with mine at some point. I assumed it was the circuit board on the dash itself, but you're right maybe it's not


2000 Citroen Dispatch 1.9TD XUD9 Camper Conversion
1999 Citroen Dispatch 1.9D DW8 Disassembled Camper Conversion
1996 Peugeot 806 1.9TD XUD9 Spare vehicle
1998 Citroen Synergie 1.9TD XUD9 Snapped timing belt

Offline

#24 2024-06-23 15:09:58

RegW
Member
From: Bristol
Registered: 2024-04-21
Posts: 334

Re: Speedo, Odometer & trip Meter Stopped Working.

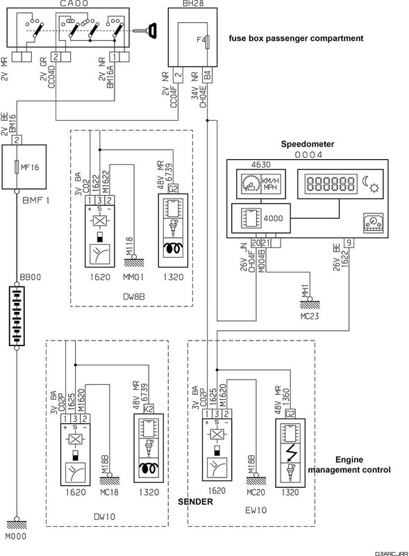
The signal out from the pulser goes to both the speedo and the engine management box

Here's some pics I've been extracting/converting and partially annotating  from that sedre thing
note the engine type but 1620 is the sender unit in all


speedo3.jpg

speedo-2.jpg

speedo1.jpg

Last edited by RegW (2024-06-23 15:25:02)


When all else fails, RTFM  - 2006 Expert 2.0 HDI/110

Offline

#25 2024-06-23 22:48:37

woodbine
Member
From: Bristol, UK
Registered: 2018-11-01
Posts: 267

Re: Speedo, Odometer & trip Meter Stopped Working.

RegW wrote:

It's worth checking you are getting power to the sender just in case
The 3 pin plug should have 12v at pin 1 and ground at pin 2
with signal out at pin 3
It will hard to check for signal out with out actually driving but ignition on
should show power at the plug.

My Peugeot wiring diagram shows it gets power from Fuse 4 in the passenger fuse box
I know they're all essentially the same but there are variations
I used the DW10 diagram

Great info, diagrams, etc. Many thanks. I'll check that fuse no. 4 before I set out tomorrow, assuming it only powers the sender. When I get it up on the ramp I will check sender for earth continuity and power with ignition on.

May poss be difficult to test the pulse, as guessing it would need the front wheels turning to get an output. Then where could I test - guessing at ECU G2 pin? But I wouldn't know if you could test that pin with the connector to ECU still in place - which would be needed for engine to run.


Fiat Scudo 2004 (54) 2.0 Jtd SX Dynamic Van

Offline

Board footer